Пн–Пт: 09:00–20:00, Сб: 09:00–17:00
Вс: выходной
+7 (499) 753-77-21
+7 (481) 253-57-57
Каталог продукции
Корзина
0

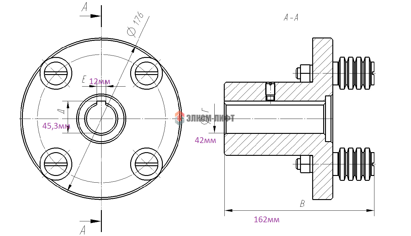
Каретка левая 348М.03.10.030

Каретка левая 348М.03.10.030
Арт.: / Производитель: МЛЗ
В наличии
10 000 ₽ с НДС
 

Другие товары

График работы


  • Пн–Пт: 09:00–20:00
  • Сб: 09:00–17:00
  • Вс: выходной
Контакты


  • +7 (499) 753-77-21
  • +7 (481) 253-57-57
  • E-mail: elkom-lift@mail.ru